一般常見的常用的系統概述
主要分為:負壓吸送系統、正壓吹送系統。

稀相輸送是利用風機或真空泵在管道中產生的氣流,采用正壓或負壓并以較高的速度來推動或拉動在管道內流動,從而把輸送到相應的設備。因此該輸送方式又被稱為低壓-高速系統,它具有較低的m(通常把m=0.1~20、壓力p=0.01~0.1MPa 或 真空度pv=-0.01~-0.06MPa、速度v=5~30m/s歸為低壓-高速系統)。
該系統初端約有10m/s的啟動速度,尾端達到約22m/s的高速,因而氣流速度較高。輸送管道初始端壓力通常低于0.1MPa,而尾端則與大氣壓基本接近。稀相輸送的介質一般采用空氣或氮氣,動力一般由或真空泵提供。和真空泵的稀相輸送時,物料在管道中呈懸浮狀態,輸送當量距離最長達百米。
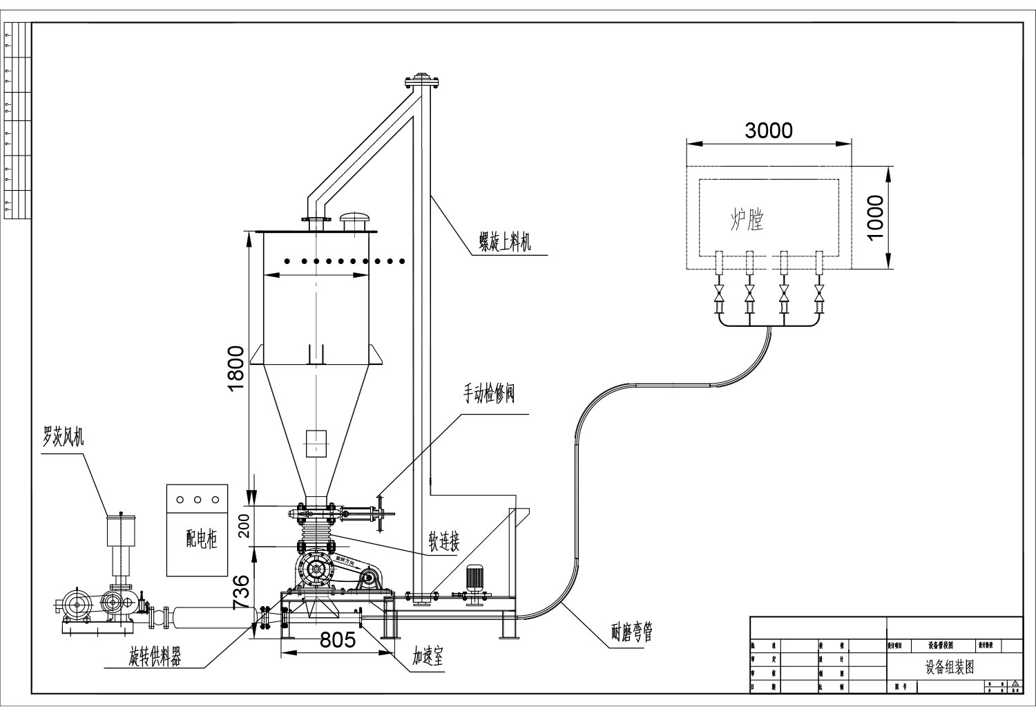
其主要組成部件為混合室、吸嘴、星型給料閥、旋風分離器、除塵器、羅茨鼓風機、電控柜等。
負壓系統主要利用真空型羅茨風機(或真空泵)在密封管道內產生的真空,以低于外界大氣壓的空氣流,通過吸嘴(或星型給料閥與混合加速室單元)進料,再與空氣混合,沿輸料管道吸送到旋風分離器(俗稱沙克龍)進行氣固分離,實現從低處或散裝處多點向高處一點或多點進行物料輸送。其特點是物料不外泄,不產生環境問題,供料裝置相對簡單。
正壓吹送系統則是在高于外界大氣壓力狀態下,壓縮空氣(或氮氣)吹入管道,在混合加速室處形成料氣混合物,通過管道把物料送到相應設備,完成整個輸送過程。其特點是輸送量大,距離較長,流速較低,穩定。對于物料的影響較小。而且分離出的氣體凈化后直接排入大氣,延長羅茨鼓風機使用壽命。
負壓吸送與正壓吹送也可以進行適當的組合,形成一個綜合系統,由于其兼有負壓輸送和正壓輸送的優點,能滿足一些復雜的生產工藝要求。
注:料氣比m是指同一時間段內在管道中通過的物料重量與空氣(或氮氣)重量之比。料氣比也稱混合比。
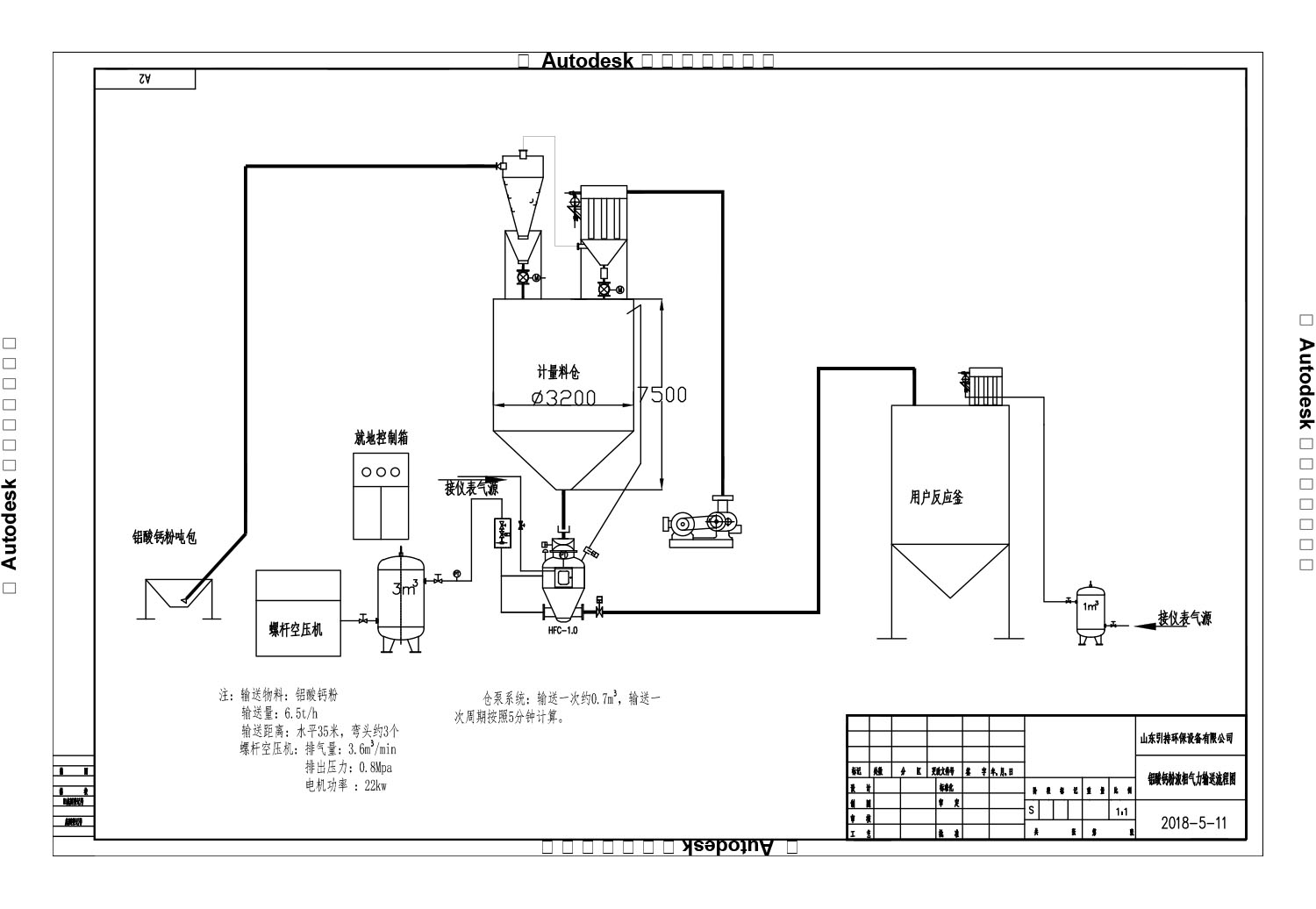
密相輸送(高壓-低速)

系統概述
密相氣力輸送主要分為:發送罐(或稱)基本輸送、發送罐流化輸送、發送罐增壓輸送、發送罐滿載輸送、發送罐上引輸送
該輸送系統是利用高于0.3MPa的氣體壓力,使用正壓來擠壓物料,使其在管道內流動,通過輸送管線,送到相應設備。因此常被稱作為高壓-低速系統。它具有較高的料氣m(通常把料氣比m=20~100、壓力p=0~0.7MPa 、速度v=0.5~8m/s歸為高壓-低速系統)。
此系統的初端速度約為0.3m/s的啟動速度,輸送管線的壓力一般為0.4MPa,在系統末端速度則幾乎為零。該系統采用空壓縮機組作為動力源,它的顯著特點是輸送速度低,對于物料品質的影響較小。
目前高壓密相系統的用途已經非常廣泛,同時對于不同的輸送物料可以選用不同的輸送方式,以便最大限度地發揮的使用性能、效率與經濟優點。
其主要組成部件為發送罐、增壓器、分離器、卸料閥、排氣除塵器、空壓機組、電控柜等。
下一篇:氣力輸送運輸都有哪些優勢?
